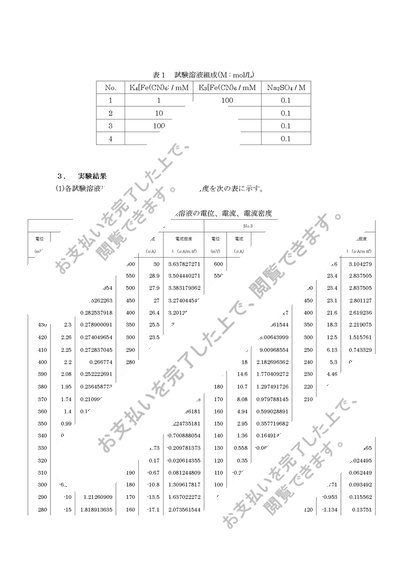
2.1 金属材料の電気化学的特性評価
HAPPYCAMPUS
menu
ログイン
close
チャージ
非会員
購入確認
カート
お知らせ
スタディメイトAI
レポMEMO
オススメ資料
人気資料
最新資料
前のページ
11
/ 11
次のページ
お支払いを完了した上で、全ての内容を閲覧することができます。
会員登録方法を選択
Googleで簡単登録
または
メールアドレスで登録
×
×
🎓 AIスタディメイト サービス開始
導入記念価格でご提供
学習をサポートする AI が、資料の基礎となる原稿を作成いたします。
導入価格:100円
(通常200円)